上海恒點傳動設備有限公司
加微信聯系 恒點減速機QQ2:51228482
[HTML] [XML]  産品展示産品展示-RSS  新聞中心新聞中心-RSS  技術支持技術支持-RSS
産品分類: 減速機蝸輪絲杆升降機轉向箱蝸輪蝸杆減速機齒輪減速機行星齒輪減速機擺線針輪減速機無級變速機大功率減速器
上海恒點傳動設備有限公司
資訊分類
和産品相關的技術文章
當前位置:網站首頁 > 技術支持 > 工業用閉式齒輪傳動裝置附錄D(GB/Z19414-2003)

工業用閉式齒輪傳動裝置附錄D(GB/Z19414-2003)

Tags: 伺服行星減速機    發布時間: 2014-10-31
附錄D
(資料生附錄)
交換熱計算
D.1引言
當齒輪傳動裝置傳遞功率時,要在各零件上産生損耗,並轉換成熱。這些損耗與傳遞功率一起,決定瞭齒輪箱的效率。取決於經過潤滑劑會到箱體和從箱體傳到周圍或經過油冷卻器到冷卻劑的熱耗散,在大緻穩定的狀态下存在一種齒輪箱溫度,當它處於高值時,會引起油的快速老化與接觸表面的較小油膜厚度,以及降低輪齒系統與軸承的抗點蝕、磨損和膠合等承載能力,也降低瞭密封的使用壽命。從熱平衡計算觀點,確定飛濺潤滑齒輪箱的預定穩态溫度與噴油潤滑齒輪箱經過油流與油冷卻器散耗的熱量是可能的。
確定熱承載能力的A法包含瞭實地條件下原有齒輪箱的測量。這可以採用測量功率損失的方式或熱耗散的方式,也可以兩種方式同時採用。對飛濺潤滑齒輪箱也可用測定油箱中接近穩态時溫度的方式。所有單個零件的功率損失與本附錄所叙述的熱耗散的計算方法可作爲一種備用的B法。
本附錄的計算方法必須一起使用作爲確定熱承載能力的一種方法,附錄C的方法也必須在不採用本附錄情況下同時使用 。從附錄C和附錄D的内容混合計算會給出一種承載能力虛假的結果。
D.1.1目的
用這些方法確定齒輪系統的功率損失都是可能的:内、外圓柱齒輪、錐齒輪 、雙曲面齒輪與蝸輪系統的與載荷無關和與載荷有關的功率損失;減摩與滑動軸承的與載荷無關和與載荷有關的功率損失以及徑向軸封的功率損失。此法可用於單級與多級齒輪箱 、轉矩分流齒輪箱與行星齒輪箱。熱耗散計算可與來自箱體的輻射一樣,作爲自由對流或強迫對流計算,可作爲來自軸與聯軸器的強迫對流與輻射計算,作爲對基礎的熱傳導計算,以及在使用噴油潤滑的情況下作爲通過潤滑劑與外冷卻器的熱耗散計算。在接近於穩态條件下計算是有效的;考慮到熱承載能力,不包含非穩态條件。齒輪箱間斷工作(負載系數低於100%)的情況與變載荷與變速度的情況下,可在計算時引入一近似穩态的當量輸入功率。系統的限制範圍由用戶來規定,即熱輸入的所有零件用同樣方式标出(見圖D.1),尤其是不管熱流在邊接點是否能由齒輪箱耗散或不管熱流是否從與齒輪箱連接的機械上經過,驅動和被驅動機械連接點都應該考慮進去。
爲計算功率損失與熱耗散,要求知道油的溫度 。這必須是已知確定一給定點 ,若在考慮熱耗散情況下 ,可用疊代法確定。
D.1.2應用
被試驗台架試驗所確認的運行條件可應用範圍,在計算的各個章、節作瞭叙述。所述範圍外的推斷增加瞭不確定因素,但已證實在較廣的範圍内有足夠的接近程度。
齒輪箱上各種熱流情況
D.2代号與單位(見表D.1)
表D.1
代号
單位
意義
a
mm
中心距
Abot
m2
齒輪箱的底面積
Aca
m2
整個齒輪箱面積(外部的)
Afoot
m2
齒輪箱的底腳面積
Aoil
m2
整個齒輪箱面積(内部的)
Apro
m2
突出盤片面積(箱體外部的)
Aq
m2
橫截面面積
Afin
m2
整個筋片面積(箱體外部的)
Aair
m2
風冷的箱體面積
b
mm
齒寬、軸承的寬度
beff
mm
輪齒接觸寬度
bo
mm
齒寬參考值b0=10mm
Club
-
潤滑系數
Csp
-
飛濺油系數
C0
N
減摩軸承靜載荷額定值
C1,2
-
系數
da
mm
頂圓直徑
df1
m
當量法蘭直徑
dw
mm
節圓直徑
dm
mm
平均軸承直徑
ds
mm
當量交錯軸斜齒輪的節圓直徑
dsh
m
軸徑
e
-
自然對數的低,e=2.718
е
mm
油面穩定時頂圓浸入深度
e0
mm
浸入深度參考值,e0=10mm
ED
-
運行系數
f0,1,2
-
軸承損失系數
Fa
N
軸承推力載荷
Fbt
N
輪齒法向力,端截面
Fn
N
輪齒法向力,法截面
Fr
N
徑向軸承載荷
g
m/s2
g=9.81m/s2
Gr
-
格拉肖失(Grashof)數
hc
mm
浸入齒輪最低點以上接觸點的高度
hca
mm
齒輪箱箱體總高度
Hv
-
輪齒損失系數
ΔHoil
W
油的焓流
h0,1
mm
潤滑間隙高度
k
W/(m2·K)
熱傳導系數
lf1
m
聯軸器法蘭的當量高度
lh
mm
液壓長度=4AG/UM
lfin
m
一個散熱片的深度
Lsh
m
自由軸端長度
m,m*
-
凸緣系數
m
mm
模數
n
r/min
轉速
N1t
-
努力塞爾特(Nusselt)數
PA
W
輸入功率
PAeq
W
當量輸入功率
Pr
-
普朗特爾(Prandtl)數
PV
W
功率損失
PVD
W
密封功率損失
PVL
W
軸承功率損失
PVX
W
附加功率損失
PVZ
W
齒輪功率損失
P0
W
當量軸承靜載荷
P1
W
當量軸承載荷
Q
W
總熱流量
Qca
W
通過箱體表面的熱流量
Qfun
W
通過基礎的熱流量
Qrot
W
通過軸與聯軸器的熱流量
Re
W
雷諾數
Ra1,2
-
小齒輪與大齒輪的算術平均粗糙度
S
μm
軸承的尺寸系數
t
-
持續時間
TH
min
液壓損失轉矩
Tf1
Nm
法蘭的溫度
Tsh
K
軸的溫度
TVL
K
總的軸承損失轉矩
TVLO
Nm
與載荷無關的軸承損失轉矩
TVLP1,2
Nm
與載荷有關的軸承損失轉矩
Twall
Nm
箱體壁的溫度
Tair
K
冷卻空氣的溫度
Tperm
K
最高許用齒輪箱溫度
T
K
周圍溫度
μ
K
齒數比
v,U
-
平均圓周速度
Voil
m/s
噴油速率
Vo
L/min
參考噴油速率V0=2L/min
vmg
L/min
平均滑動速度
vgs
m/s
螺旋速度
vgt1,2
m/s
齒頂總表面速度
vs
m/s
噴油速度
vt
m/s
節圓的圓周速度
vt0
m/s
參考速度,Vt0=10m/s
vair
m/s
碰撞速度
VΣc
m/s
節點總速度
VΣh
m/s
齒高方向的總速度
VΣM
m/s
平均合成總速度
VΣS
m/s
齒長方向的總速度
x
-
齒高修正系數
XL
-
潤滑劑系數
XR
-
粗糙度系數
Y
-
Fa/Ft>e時,軸承的軸向系數
YW
-
材料系數
αfun
W/(m2·K)
齒輪箱基礎的熱傳導系數
αca
W/(m2·K)
箱體空氣側的傳導系數
αcon
W/(m2·K)
對流引起的熱傳導
αkfree
W/(m2·K)
自由對流引起的熱傳導
αkforced
W/(m2·K)
強迫對流引起的熱傳導
αoil
W/(m2·K)
有油側的熱傳導
αrad
W/(m2·K)
輻射引起的熱傳導
β
(°)
螺旋角
βb
(°)
基圓螺旋角
σH
N/mm2
接觸應力
δfin
m
一個散熱筋片的厚度
δwall
m
平均箱體壁厚度
ε
-
齒輪箱箱體的輻射率
εα
-
端面重合度
ε1,2
-
小齒輪、大齒輪的齒高重合度
λfin
W/(mK)
散熱筋片的熱傳導率
λfl
W/(mK)
法蘭的熱傳導率
λfun
W/(mK)
基礎的熱傳導率
λwall
W/(mK)
箱體的熱傳導率
λsh
W/(mK)
軸的熱傳導率
μ
-
磨擦因數
μmz
-
齒輪齧合的平均摩擦因數
v40,100
mm2/s
40℃、100℃時油的運動黏度
voil
mm2/s
在運行溫度下油的運動黏度
vair
m2/s
空氣的運動黏度
ρc
mm
接觸切點的當量曲率半徑
ρn
mm
法截面的當量曲率半徑
ρ15
kg/dm3
15℃時油的密度
ρoil
kg/dm3
運行溫度下油的密度
ω
rad/s
角速度
η
-
效率
ηf
-
散熱筋片的效率
ηoil
mPas
運行溫度時油的動力黏度
θoil
油溫
θ∞
環境溫度
注:有關下角代号的意義:
θ——與載荷無關的;
1——小齒輪;
2——大齒輪;
C——指的是節點;
n——法向的;
P——與載荷有關的。
D.3當量傳遞功率
爲熱計算而定義的平均當量傳遞功率PAeq是齒輪箱在由額定功率PA引起的恒定名義載荷 作用下和連續工作條件下確定的。由於短暫的外部或内部過載對熱平衡不起作用。也不考慮内部熱的分布,在每一種情況下所有的下降系數,例如就齒輪計算而論,KA、KV、KHβ與KHα應假定爲1.0。由於随著載荷的增加與轉速的降低,磨擦因數要增加,在相同傳遞功率的運行條件下 ,最不利的情況是在低速時出現的。
在随時間而變的可變載荷條件情誤解下,或在齒輪箱中運行系數低於100%時,當量傳遞功率應該基於這樣的功率,即設定在認可的近似穩定條件的其間取平均的最大值。
故作爲近似觀點 ,在此期間的最大可能平均功率可以作爲熱當量傳遞功率,並用下式計算:
在運行系數小於100%的齒輪箱中,熱當量功率PAeq,由下式確定:
PAeq=EDPA…………………………(D.2)
其運行ED即爲相對於總的時間運行時間。這裏假定穩定的運行時間在運行周期中是均勻分布的 。當規定電動機的運行系數時,參考周期通常t=10min。
注:在確定滑動軸承熱當量功率時,爲有助於確定公式(D.2),假定公式(D.2)中的運行系數在标準中爲線性的 。對於電動機來說,可用運行系數的平方根來代替。對於齒輪箱來說,在一些制造商的說明上是用運行系數的立方根替代的。在這些情況下,在以下章條中,須用PAeq來代替PA
D.4功率損失
齒輪箱産生的總功率損失PV不僅由輪齒系統的與載荷有關的和與載荷無關的損失PVZ及軸承的與載荷有關的和與載荷無關的損失PVL,而且還有密封的與載荷無關的損失PVD和其他齒輪箱零件的損失PVX所組成。
PV=PVZO­+PVZP+PVLO­+PVLP+PVD+PVX………………………………(D.3)
效率η由傳遞功率PA確定:
D.4.1齒輪的損失
關於齒輪總的損失是由與載荷無關的部分PVZO和與載荷有關的部分PVZP組成。對於圓柱齒輪、錐齒輪與雙曲面齒輪,這些功率損失按照尼曼和溫特爾(Niemann/winter)資料[1][2]分别確定。對於蝸輪也可适用。錐齒輪的損失按當量圓柱齒輪系統計算。雙曲面齒輪的損失按當量交錯軸斜齒輪系統計算[2]。
D.4.1.1圓柱齒輪 、錐齒輪與雙曲面齒輪的空載損失
空載齒輪系統損失照莫茲(Mauz)資料[3]來計算,就莫北推導的數學公式來說,在飛濺與擠壓損失之間沒有區别,根據他的研究、擠壓部分可以忽略。
a)飛濺潤滑:總液壓損失轉矩TH用以下式來確定:
飛濺油系數CSP考慮瞭受浸入濃度影響的飛濺油供給的效果,見圖D.2。系數C1與C2說明齒寬與浸入深度的影響,低浸入濃度的情況下,測出的黏度沒影響,對於高浸入深度,發現黏度的影響有相反的結果:在某些情況下随著黏度的提高功率損失增加瞭,而在某些情況則降低瞭 。因此在計算公式中沒有将黏度考慮進去。
式中,lh見圖D.3。
式中:
eo=10mm,bo=10mm。
每給空載功率損失可用齒輪角速度乘上空載轉矩來計算。
按照莫茲的飛濺油系數,lk=4AG/UM
b)噴油潤滑 :根據[3]對實驗結果的估算得出以下公式:
(1)噴油進入齧合點:
關於噴射油量:V0=2L/min;
(2)噴油進入非齧合點:
TH=8.33×10-6ρoildn(vt+vs)…………………………(D.10)
公式不是無量綱的,各常數已經選定,這樣将各個變量代入後,就得到兩個公式中的損耗轉矩TH(N·m)。這樣計算的損耗轉矩應用於配對齒輪副,乘以用於節徑dw的角速度ω得到一對齒輪的功率損失 。将各個損失加起就獲得所有各對齒輪的總功率損失。這兩個公式的使用被莫茲[3]限制在表D.2中給出的運行和設計參數範圍内 。抽樣計算說明超過這個範圍時,該兩個公式也能有效應用。
表D.2按照莫茲[3]確定的參數範圍
影響變量
公式
單位
變化範圍
雷諾數
Re=v1da/voil
-
4125
531428
相對浸入深度
2e/da
-
0.04
2.0
相對壁距離
sr/da
-
0.03
3.15
頂圓直徑
Da
mm
132
248
齒寬
b
mm
10
60
浸入深度
e
mm
5
135
模數
m
mm
3
6
圓周速度
v1
m/s
10
60
運動黏度
voil
mm2/s
15
240
油的密度
ρ15
kg/dm3
855
881
D.4.1.2與載荷有關的齒輪損耗
通常,庫侖定律應用於局部功率損失:
PVZP=Fn(x)μ(x)vg(x)…………………………(D.11)
輪齒法向力Fn(x),摩擦因數μ(x)與滑動速度vg(x)爲在齧合線每點x上的局部位置的數值。
公式(D.11)是根據每一點的齧合來評價的,此公式不适用於行星齒輪箱。
由於磨擦因數随齧合線上可變的運行條件僅有很小的變化,爲近似的目換,設定一個平均磨擦因數。對於直齒輪、錐齒輪與雙典面齒輪,按下式確定:
式中:
Ra=0.5(Ra1+Ra2);
潤滑劑系數XL爲 :
對於礦物油XL=1.0;
對於聚α烯族烴與酯類XL=0.8;
對於聚乙二醇XL=0.75(b/vs)0.2
對於磷酯尖XL=1.3;
對於牽引液XL=1.5。
當計算μmz時,應符合下列限制條件 :
a)VΣ用於Vt≤50m/s;
對於Vt>50m/s,VΣ按Vt等於50m/s計算;
b)F/b≥150N/mm,
對於F/b<150 N/mm;μmz按F/b等於150 N/mm計算。在公式(D.12)中,應用下面的參數代替 :
(1)對於圓柱與錐齒輪 :
F=Fbtm
b=b;
VΣ=VΣC
ρ=ρcm
d1=dwim
(2)對於雙曲面齒輪:
F=Fncosβ­b2
b=beff=0.85b2
VΣ=VΣm
ρ=ρn
d1=ds1
對於蝸輪箱、磨擦因數μz分别計算,見D.4.1.5條。
D.4.1.3圓柱齒輪與錐齒輪的與載荷有關的齒輪損失
根據[1]計算與載荷有關齒輪功率損失PVZP
PVZP=PAμmzHV……………………(D.13)
基中平均磨擦因數μmz是根據公式(D.12)得來的,輪齒損失系數HV爲:
D.4.1.3雙曲面齒輪的與載荷有關的齒輪損失
雙曲面齒輪的與載荷有關的齒輪損失是依靠當量交錯軸斜齒輪系統根據[2]按照公式(D.10)來計算的。磨擦因數μmz是按照公式(D.12)確定的,而平均總速度VΣm由下式確定:
平均滑動速度vgm按照[2]由下式確定:
D.4.1.5蝸輪箱的齒輪損失
蝸輪箱的齒輪損失按照[2]由下式計算:
PVZ=PVZP+PVO-PVLO…………………………(D.17)
總空載損失PVO與軸承空載損失PVLO根據D.4.2條確定。與載荷 有關的齒輪損失PVZP由下式確定:
PVZP=Fnμzvgm…………………………(D.18)
磨擦因數μz由下式確定:
磨擦因數的基本值μz0對任意材料一潤滑劑的組合,在雙盤試驗機上的規範條件 與vgm/ 下可以確定。參考值見圖D.4。
根據在雙盤機上試驗得到的磨擦因數
材料系數YW是考慮材料的組合的系數,參考值見表D.3。表D.3中的值适用於表面硬化磨削的蝸杆,對調質非磨削蝸杆此值應乘以1.2。
平均滑動速度vgm與總速度 之比可從EDP程序例如根據[4]導出。對於ZI、ZA、ZN與ZK蝸杆的X=0的參考值:vgm/VΣ=2.7,對於ZH蝸杆的x≈0.5的參考值:vgm/VΣ=2.2。
如果沒有測量方法可利用,對於具有減摩軸承、下置蝸杆與飛濺油潤滑的齒輪箱,總空載功率損失PV0可採用下式[2]計算:
表D.3材料系數YW的參考值
蝸杆材料
材料系數YW
GZ-GuSn12Ni
0.95
GZ-GuSn12,GZ-CuSn10Zn,GZ-CuSn14
1.00
GZ-CrZn25A15,GZ-CuAl10Ni
1.10
G-GuSn12Ni
1.20
G-CuSn12,G-GuSn10Zn,GGG-70
1.30
G-CuZn25A15,G-CuAl11Ni,GG-25
1.40
D.4.2軸承損失
D.4.2.1滾動軸承
軸承損失轉矩TVL(N·m)根據[5]給出的近似公式計算。損失轉矩爲空載TVLOT和與載荷有關的TVLP1兩部分。對於軸向受載的圓柱滾子軸承與軸向受載的滾針軸承來說,存在一個附加損失項目TVLP2,此項與推力的大小有關。這些成分要分别計算,然且将它們加起來。
對於總損失轉矩按下式確定:
TVL=TVL0+TVLP1+TVLP2…………………………(D.21)
a)空載軸承功率損失:這部分取決於軸承設計、潤滑類型、滾滾劑黏度以及軸承速度。
b)對於voiln<2000mm2/(s·min)範圍,按下式確定:
TVLO=1.6×10-8f0dm3…………………………(D.22)
對於voiln≥2000mm2/(s·min) ,按下式確定:
TVLO=10-10 f0(voiln)2/3dm3……………………………………(D.23)
系數f0取決於軸承類型與軸承潤滑(見表D.4)。
b)與載荷有關的軸承功率損失:與載荷有關的軸承損失轉矩TVLP1與TVLP2,按照[5]應用下式確定:
TVLP=fP1dm×10-3……………………(D.24)
式中:對於徑向載荷:
TVLP=TVLP1
f=f1(見表D.5);
P1(見表D.5);
對於具有附加推力載荷的滾柱軸承:
TVLP=TVLP1+TVLP2
TVLP2:f=f2(見表D.6)
P1=Fa
根據計算的損失轉矩TVL,可按下式計算出軸承功率損失PVL
PVL=TVL
表D.4系數f0
軸承類型
潤滑類型
油脂a
油霧
油溶
噴油,含立式
軸油浴
深溝球軸承
單列
雙列
0.75~2b
3
1
2
2
4
4
8
自位球軸承
1.5~2b
0.7~1b
1.5~2b
3~4b
角度接觸球軸承
單列
雙列
2
4
1.7
3.4
3.3
6.5
6.6
13
四點接觸軸承
6
2
6
9
圓柱滾子軸承(帶保持架)
系列10,2,3,4
系列22
系列23
0.6
0.8
1
1.5
2.1
2.8
2.2
3
4
2.2c
3 c
4 c
圓柱滾子軸承(全滾子)
單列
雙列
5d
10d
-
-
5
10
-
-
滾針軸承
12
6
12
24
自位滾子軸承
系列213
系列222
系列223,230,239
系列231
系列232
系列240
系列241
3.5
4
4.5
5.5
6
6.5
7
1.75
2
2.25
2.75
3
3.25
3.5
3.5
4
4.5
5.5
6
6.5
7
7
8
9
11
12
13
14
圓錐滾子軸承
單列
6
3
6
8~10b,c
深溝推力球軸承
5.5
0.8
1.5
3
圓柱滾子軸承
9
-
3.5
7
滾針推力軸承
14
-
5
11
自位滾子推力軸承
系列292E
系列292
系列293E
系列293
系列294E
系列294
-
-
-
-
-
-
-
-
-
-
-
-
2.5
3.7
3
4.5
3.3
5
5
7.4
6
9
6.6
10
a表值在穩定條件下有效 。對於新近油
脂潤滑軸承,在計算中使用(2-4)f0
b低值用於輕型軸承,而高值用於同一孔徑系列的重型軸承。
c.對噴油潤滑有效。對於油浴潤滑與立式軸,表值要加倍。
d對達到20%參考轉速(見軸承參數表)的低轉速有效。在高轉速計算時該f0值要加倍。
表D.5系數f1與當量軸承載荷P1
軸承類型
(0.006~0.0009)(P0/C0)0.5b
3Fa-0.1Fr
深溝球軸承
0.0003(P0/C0)0.4
1.4Y2Fa-0.1Fr
自位球軸承
角度接觸球軸承
單列
雙列
0.001(P0/C0)0.33
0.001(P0/C0)0.33
Fa-0.1Fr
1.4Y2Fa-0.1Fr
四點接觸軸承
0.001(P0/C0)0.33
1.5Y2Fa+3.6Fr
圓柱滾子軸承(帶保持架)
系列10
系列2
系列3
系列4,22,23
0.0002
0.0003
0.00035
0.0004
Frc
Frc
Frc
Frc
圓柱滾子軸承(不帶保持架)
0.00055
Frc
滾針軸承
0.0002
Fr
自位滾子軸承
系列213
系列222
系列223
,
系列230,241
系列231
系列232
系列239
系列240
0.00022
0.00015
0.00035
0.001
0.00035
0.00045
0.00025
0.0008
1.35Y2Fa,Fr­/Fa<Y2
Fr[1+0.35(Y2 Fa­/Fr)3]
Fr­/Fa≥Y2
(全系數列有效)
圓錐滾子軸承
單列
單列,雙倍
0.0004
0.0004
2YFa
1.2 Y2Fa
深溝推力球軸承
0.0008(P0/C0)0.33
Fa
圓柱滾子推力軸承
滾針推力軸承
0.0015
Fa
自位滾子推力軸承
系列292E
系列292
系列293E
系列293
系列294E
系列294
0.00023
0.0003
0.0003
0.0004
0.00033
0.0005
Fa(Frmax≤0.55Fa)
(全系列有效)
a如果P1<Fr,應取P1= Fr
b低值用於輕型軸承,高值用於同一孔徑系列的重型軸承。
c對於附加止推載荷的滾子軸承,必須引入TVLP2­。
表D.6圓柱滾子軸承的系數f2
軸承類型
潤滑類型
油脂
帶保持架
EC設計
所有其他的
0.003
0.009
0.002
0.006
不帶保持架
單列
雙列
0.006
0.015
0.003
0.009
D.4.2.2滑動軸承
動力潤滑徑向軸承與止推軸承按照有關DIN标準内的叙述進行計算。
徑向滑動軸承,如全部或部分圓周對稱的圓柱軸承按照DIN31652[6]分段的表面計算,可傾瓦軸承按DIN31657[7]計算。
滑動止推軸承,如扇形止推軸承的按DIN31653[8]中的規定計算,而可傾瓦軸承按DIN31653[9]中的規定計算 。
D.4.3軸封
對於非接觸式密封,可近似地認爲對功率損失沒有影響 。關於徑向軸封的計算在[10]中有論棕:
PVD=7.69×10-6dsh2n…………………………(D.26)
在這裏不包括其他型式的密封,如機械式密封。
D.5熱耗散
齒輪箱由功率損失産生的熱量PV是在確保的溫度範圍中由耗散的熱量Q來平衡的。後者是由通過箱體的熱耗散Qc、通過基礎的熱耗散Qfun、通過相連的軸和聯軸器的熱耗散Qrot以及在噴油潤滑的情況下經過冷卻油流的熱傳導Qoil所組成:
Q=Qca+Qfun+Qrot+Qoil…………………………(D.27)
對於熱量供給與散失的平衡狀态,可用疊代法計算具有的平均齒輪油溫Qoil。在噴油潤滑情況下可按給定的齒輪油溫Qoil計算出經冷卻油流的熱耗散,進而爲所要求的油流速率與冷卻器的設計提供數據。
D.5.1經過箱體的熱耗散
通過箱體耗散的熱量由下式計算:
Qca=KAca(Qoil-Q)…………………………(D.28)
熱傳導系數k包括油與箱體間的内部熱傳導,通過箱體壁周圍環境的外部熱傳導:
通常,經過箱體的熱耗散是由箱體表面具有較大值的空氣側熱阻抗來決定的 。上式中前兩項可以忽略。對於較高空氣速度與較好的外部熱傳導,可能還需要考慮油液側的熱傳導,可取用αoil>200W/(m2·K)作爲參考值。經箱體的熱傳導僅在特殊情況下才考慮,例如在雙壁箱體、隔聲箱體與非金屬箱體的情況 。适當的熱傳導系數λwall必須針對箱體的材料導出。
空氣側熱傳導αca含有對流部分αcon與輻射部分αrad
αcaconrad…………………………(D.30)
輻射部分的αrad可由下式計算:
ε見表D.7。
對流可以是自由對流或強迫對流,其αcon根據芬克(Funck)[1]的研究可用下式計算:
式中:
對於沒有散熱筋片的箱體,可用下列式子表示:
自由對流:
強迫對流:
式中:
表D.7輻射率ε
材料
狀态
輻射率ε
灰鑄鐵GG
鑄造
車制或滾制
0.60~0.80
0.35~0.45
軋制表皮
車制或滾制
滾制與油覆蓋
噴砂加工
噴吵與油覆蓋
0.80~0.90
≈0.15
≈0.35
≈0.35
0.50~0.60
氧化物表皮
車制或滾制
≈0.15
0.15~0.10
所有上塗料的材料
具有與沒有油或粉塵覆蓋
0.90~0.95
對於具有按照圖D.5所示帶散熱筋片的箱體,用下列公式計算:
對於自由對流(Aair=0):
散熱筋片的效率η­f
式中 :
對於自油對流與風冷的散熱筋片表面(A­fin=Aair):
對於自由與強迫對流(Aair>Afin
D.5.2通過基礎的熱耗散
基礎傳導的熱計算是建立在将齒輪箱基礎分割成幾個部分,每一部分被看作爲一個單獨的散熱片,使用從熱力學得出的已知散熱片計算公式。沿各部分表面的熱流Aqi相加得到整個基礎的熱傳導量(見圖D.6)。
對於基礎的熱耗散僅在向上方向上(下方被子絕緣),應設定mi*=0.75mi。對於基礎的熱耗散同時向上與同下的情況,應設定mi*=mi
D.5.3通過軸與聯軸器的熱耗散
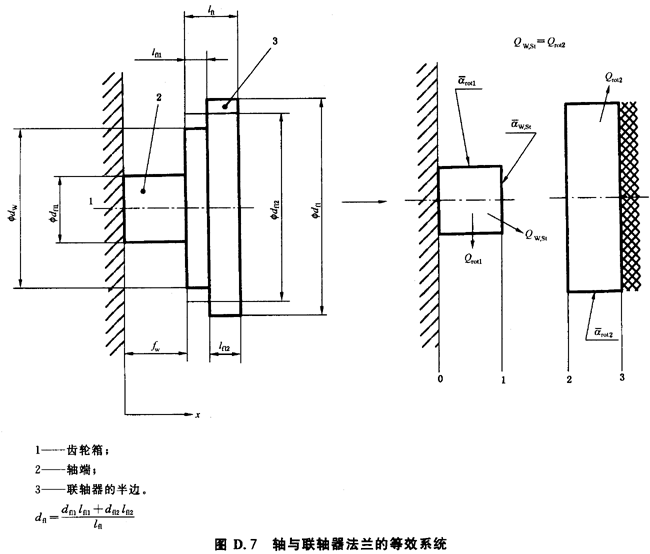
通過軸與聯軸器的熱耗散計算也使用散熱片公式。軸與聯軸器表面有效的熱傳達室系數Qrot1,2依照[12](圖D.7)可作爲軸的速度的函數疊代計算。
按照圖D.7,關於将軸-聯軸器系統分割爲兩個等級系統,用下列公式計算:
橫截面積Aq,sh與Aq,fl根據當量直徑dsh和dfl分别計算(見圖D.7)。相當於從軸到聯軸器的熱流的表面熱傳導系數α*sh,face由以下關系式計算:
變量msh與mfl由下列式子計算:
式中,與當量直徑有關的軸與聯軸器上熱傳導系數可按照德魯普金(DropKin)[12]來計算。
德魯普金[12]叙述瞭從三個不同範圍将轉動軸的熱傳導系數作爲雷諾(Reynolds)數的函數來計算:
對於Re≤2500:
Nu=0.40Gr0.25……………………………………(D.54)
對於2500<Re≤15000:
Nu=0.095(0.5Re2+GR)0.35………………………………(D.55)
對於Re>15000:
Nu=0.073Re0.7…………………………………(D.56)
式中:
軸與聯軸器的平均Tsh與Tfl,從沿軸與聯軸器長度lsh與lfl的溫度變化的積分得到。在這裏用熱力學來分析有限長度杆得到的關系或用於溫度變化的計逄。對於在x=0點的軸的過熱溫度下式可爲一種近似計算:
在實際齒輪箱的試驗中,軸的始端過熱溫度大緻達到油過熱溫度以下20%。
聯軸器的當量圓柱始端的過熱溫度必須用疊代法確定,假定:
如果不用疊代法,對由軸與聯軸器的始端與終端過熱溫度的平均溫度差(Tsh,fl-T)取數學平均值,可使計算簡化。因爲經過軸與聯軸器的熱耗散大緻僅爲全部熱耗散的10%,這種簡化一般在實際計算時是允許的。所以下式是适用的。
D.5.4經過外部冷卻器的熱耗散
經過潤滑劑到外部冷卻器的熱函流△Hoil按下式計算:
式中:coil=(1.7~2.1)×103可作爲與油的類型無關的油的熱載荷能力的近似值。至於冷卻器中溫差的近似值△θoil,可作以下假定:
a)沒有冷卻器(僅在箱體外有管路和泵):3K~5K;
b)較大齒輪箱帶冷卻器,通常在額定功率下連續運行:10K~15K;
c)較小齒輪箱帶冷卻器,通常在低於70%額定功率下周期運行15K~20K.
D.6計算結果
D.6.1飛濺潤滑
對於飛濺潤滑齒輪箱的油溫可按所産生功率損失與熱耗散量的熱平衡,用疊代法計算:
PVoil)=Qθoil……………………(D.66)
當規定最高許用油溫時,應校核這些情況下産生的的熱量是否被耗散:
PVoilmax)≤Q(θoilmax) ……………………(D.67)
如果不是這樣的情誤解,爲降低功率損耗所作的任何修改(例如油的黏度、油的類型),或提高熱耗散(例如散熱片、通風風扇等)的有效性可以估算出業。假如這種假改不合适,應提供外部冷卻,轉換爲噴油潤滑。
D.6.2噴油潤滑
對於具有規定的要求噴油溫度齒輪箱,經過油液與外部冷卻器耗散的熱函流可以計算出來,對於冷卻器中可能的溫差,可計算出由各個磨擦點熱耗用所需的噴油流量。
上一篇 上一篇: 工業用閉式齒輪傳動裝置附錄C(GB/Z19414-2003)
下一篇 下一篇: 工業用閉式齒輪傳動裝置附錄E(GB/Z19414-2003)
相關新聞文章 > 查看更多
O型圈損壞的原因和措施- 物理/環境老化 2026-02-05
步進電動機概念及其工作原理 2025-08-01
錐齒輪承載能力計算方法第 2 部分:齒面接觸疲勞(點蝕)強度計算齒面工作硬化系數ZW(GB/T10062.2-2003) 2025-05-12
平面二次包絡環面蝸杆減速器系列、潤滑和承載能力減速器的承載能力及傳動效率(一)(GB/T16444-1996) 2025-03-25
什麽是極限尺寸? 2024-12-20
什麽是軸承的高度系列? 2024-12-11
什麽是軸承的許用轉速 2024-10-28
步進電機精度爲多少?是否累積? 2024-09-13
圓柱齒輪檢驗實施規範第2部分:徑向綜合偏差、徑向跳動、齒厚和側隙的檢驗齒厚、公法線長度和跨球(圓柱)尺寸的測量(GB/Z18620.2-2002) 2024-08-21
漸開線圓柱齒輪精度其他、圖樣标注(GB10095-88) 2024-07-17
圓弧圓柱齒輪精度齒輪檢驗與公差(GB/T15753-1995) 2024-05-20
輥道電機減速器代号與标志(JB/T5562-91) 2024-04-18
返回頂部 關閉本頁】 【打印本頁
電 話:021-22815912  021-22816186  傳 真:021-32050712   郵箱:sales@021jsj.cn  減速機 絲杆升降機 轉向箱 蝸輪蝸杆減速機
Copyright©2009-2026上海恒點傳動設備有限公司 版權所有  地址:上海市金山區亭林鎮林寶路39号  郵編:200442  滬ICP備10206998号-2 
友情鏈接機械設備網 | 渦街流量計 | 輸送機 | 變頻控制櫃 | 破碎機 | 工業同城 | 手持終端 | 柴油發電機 | uv平闆打印機 | 風淋室 | QUV | 防火門 | 九愛圖紙 | 感應加熱設備 | 輸送帶廠家 | 噪聲治理 | 西門子plc | 拖鏈電纜 | AGV | 機械雜志 | 現代機械 | UWB高精度定位 |